公司产品
深圳市高士达精密机械有限公司
手机:159-9953-8817
电话:0755-29673755/3955
邮箱:2251952937@qq.com
传真:0755-29673856
地址:深圳市宝安区观兰镇君子布村君新路(142号)胜顺产业园B栋
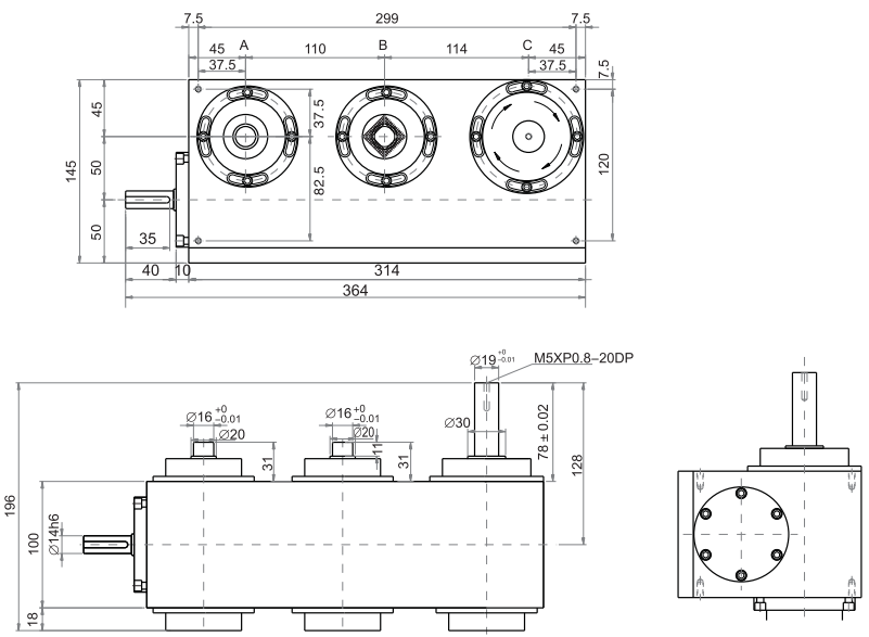
三轴分割器-50D3S分割器
三轴分割器-50D3S分割器

高士达是一家集研发,生产,服务为一体的kaiyun开云官方在线入口及精密机械凸轮的制造企业,作为三轴分割器厂家的高士达生产的50D3S分割器,为你介绍其生产产品技术参数和注意事项和相关产品图片展示,自公司成立之初我们就联合台湾资深凸轮设计制造专家,引进美国专业凸轮设计制造系统,同时引进台湾专业凸轮生产设备并成功升级。使我们在生产技术和设备上已达到世界的先进水平。
技术参数
| 项目 | 符号 | 单位 | 数值 |
| 出力轴容许径向负荷 | C1 | kgf | 130 |
| 出力轴容许轴向负荷 | C2 | kgf | 140 |
| 出力轴容许力矩 | Ts | kgf-m | 参考力矩表 |
| 入力轴容许径向负荷 | C3 | kgf | 85 |
| 入力轴最大弯曲力矩 | C4 | kgf | 110 |
| 入力轴最大扭矩 | C5 | kgf-m | 4 |
| 入力轴的GD2(注1) | C6 | kgf-m2 | 3.2x10-4 |
| 定位分割精度 | sec | ±60 | |
| 重量 | kg | 45 |
注:入力轴的GD2是在停留范围内的数值。
注:C1至C5数值是达到安全系数=2时的数值。














