公司产品
深圳市高士达精密机械有限公司
手机:159-9953-8817
电话:0755-29673755/3955
邮箱:2251952937@qq.com
传真:0755-29673856
地址:深圳市宝安区观兰镇君子布村君新路(142号)胜顺产业园B栋
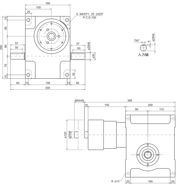
80DSU分割器
80DSU分割器

品牌供应商高士达生产的80DSU分割器为什么相较于同行更受欢迎,原因主要在于kaiyun开云官方在线入口选型厂家高士达有着严格的工艺流程:锻造、粗车、调质、精车、粗磨、铣削、淬火、喷砂等每一道工序都经过严格精选的检测 和属于自己的专业的技术团队:本公司联合台湾资深凸轮设计制造专家,引进美国专业凸轮设计制造系统,同时引进台湾专业凸轮生产设备并成功升级。
凸缘升降型(45DSU,60DSU,70DSU,80DSU,110DSU)
左右摇摆、上下夹取系统紧密及高精度、高速度之夹取输送,为你自动化系统提供了多种变化流程功能。SU系列为出力轴上下往复运动间歇旋转或左右摇摆运动之合成机构。
技术参数
| 项目 | 符号 | 单位 | 数值 | 
| 出力轴容许径向负荷 | C1 | kgf | 15 | 
| 出力轴容许轴向负荷 | C2 | kgf | 18 | 
| 出力轴容许力矩 | Ts | kgf-m | 参考力矩表 | 
| 入力轴容许径向负荷 | C3 | kgf | 140 | 
| 入力轴最大弯曲力矩 | C4 | kgf | 190 | 
| 入力轴最大扭矩 | C5 | kgf-m | 9.5 | 
| 入力轴的GD2(注1) | C6 | kgf-m2 | 1.7x10-2 | 
| 定位分割精度 | sec | ±30 | |
| 重量 | kg | 33 | 
注:入力轴的GD2是在停留范围内的数值。
注:C1至C5数值是达到安全系数=2时的数值。

上一条: 三轴分割器-50D3S分割器
下一条: 70DSU分割器













