公司产品
深圳市高士达精密机械有限公司
手机:159-9953-8817
电话:0755-29673755/3955
邮箱:2251952937@qq.com
传真:0755-29673856
地址:深圳市宝安区观兰镇君子布村君新路(142号)胜顺产业园B栋
32DS分割器
32DS分割器

心轴型分割器厂商高士达生产的型号32DS分割器怎么样?深圳市高士达精密机械有限公司作为一家致力于高新技术产品的开发制造,同时与国内外同行和企业开展各种形式的技术交流与合作的制造型企业,公司自成立之初我们就联合台湾资深凸轮设计制造专家,引进美国专业凸轮设计制造系统,同时引进台湾专业凸轮生产设备并成功升级。使我们在生产技术和设备上已达到世界的先进水平。
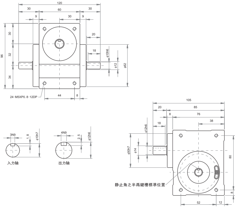
心轴型(25Ds,32Ds,45Ds,60Ds,70Ds,80Ds,110Ds,140Ds)
此系列机种为典型传统式心轴造型,其安装配件之加工安装配合齿轮、联轴器或联轴盘,需特别注重 孔径公差(+0.015/-0)、及链槽公差(+0.015/-0),其使用场合在输送带驱动、齿轮驱动、无间隙联 轴器结合驱动居多。
技术参数
| 项目 | 符号 | 单位 | 数值 | 
| 出力轴容许径向负荷 | C1 | kgf | 20 | 
| 出力轴容许轴向负荷 | C2 | kgf | 30 | 
| 出力轴容许力矩 | Ts | kgf-m | 参考力矩表 | 
| 入力轴容许径向负荷 | C3 | kgf | 18 | 
| 入力轴最大弯曲力矩 | C4 | kgf | 20 | 
| 入力轴最大扭矩 | C5 | kgf-m | 3 | 
| 入力轴的GD2(注1) | C6 | kgf-m2 | 30x10-4 | 
| 定位分割精度 | sec | ±60 | |
| 重量 | kg | 1.4 | 
注:入力轴的GD2/sup>的数值。
注:C1至C5数值是达到安全系数=2时的数值。

上一条: 45DS分割器
下一条: 无













