公司产品
深圳市高士达精密机械有限公司
手机:159-9953-8817
电话:0755-29673755/3955
邮箱:2251952937@qq.com
传真:0755-29673856
地址:深圳市宝安区观兰镇君子布村君新路(142号)胜顺产业园B栋
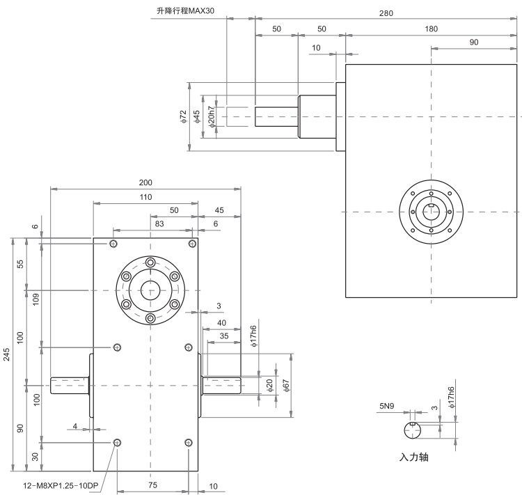
100DFN分割器
100DFN分割器

江门生产100DFN分割器的厂商哪家好?推荐中空分割器供应商——高士达,该公司自成立之初我们就联合台湾资深凸轮设计制造专家,引进美国专业凸轮设计制造系统,同时引进台湾专业凸轮生产设备并成功升级。多年来公司一直在不断满足包装,制药,电光源,电源,电池等等机械设备制造的同时并积极开拓国内外市场,致力于高新技术产品的开发制造,同时与国内外同行和企业开展各种形式的技术交流与合作。
心轴升降型分割器(60DFN,80DFN,100DFN)
左右摇摆、上下夹取系统紧密及高精度、高速度之夹区输送,为你自动化系统提供了多变化流程功能。FN系列为出力轴上下往复运动间歇旋转或左右摇摆运动之合成机构。
技术参数
| 项目 | 单位 | 数值 | 
| 输出轴容许轴向负载 | N | 245 | 
| 输出轴容许径向负载 | N | 98 | 
| 输出轴抗扭刚度 | N.m/rad | 5096 | 
| 输出轴容许轴向负载 | N | 980 | 
| 输出轴容许轴向负载 | N | 1078 | 
| 输出轴容许连续扭矩 | N.m/rad | 68.6 | 
| 输出轴抗扭刚度 | N.m/rad | 6664 | 
| 重复精度 | sec | 60 | 
| 重量 | kg | 27 | 
注:入力轴的GD2是在停留范围内的数值。
注:C1至C5数值是达到安全系数=2时的数值














