公司产品
深圳市高士达精密机械有限公司
手机:159-9953-8817
电话:0755-29673755/3955
邮箱:2251952937@qq.com
传真:0755-29673856
地址:深圳市宝安区观兰镇君子布村君新路(142号)胜顺产业园B栋
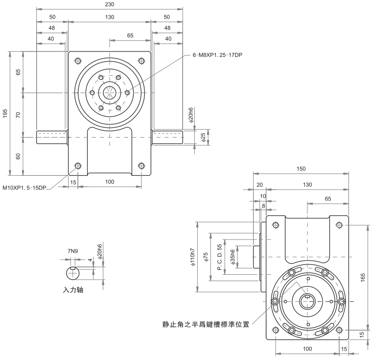
70DF分割器
70DF分割器

深圳凸缘型分割器供应商高士达生产的型号70DF分割器,较同行更受欢迎,原因在于高士达大力推广先进的加工工艺和技术,并且在已经取得令人瞩目的成果情况下,仍然遵从互惠互利,诚实守信的原则,本着“以人为本、用于创新、用心服务”的企业价值观,以服务机械工业发展为使命,在自我完善中跟随客户共同进取,努力为全社会机械工业发展作出积极的贡献。
凸缘型(45DF,60DF,70DF,80DF,110DF,140DF,180DF,250DF)
此机种具有重负荷特性,可承受较大之垂直径向或轴向压力,为本公司专属设计工程师群,经历多年针对盘式结构需要设计而成,其输出轴为面盘式设计,有凸缘中心、盘面螺孔、定位、销孔,固定面宽大,可使平面度及稳固性,更具坚实平稳。最能适用于较大负荷之回转式圆盘驱动场合,此系列机种被广泛使用在各类盘式加工机械,及类似机构之产业机械,自动化间歇驱动部,驱动圆盘。
技术参数
| 项目 | 符号 | 单位 | 数值 | 
| 出力轴容许径向负荷 | C1 | kgf | 220 | 
| 出力轴容许轴向负荷 | C2 | kgf | 300 | 
| 出力轴容许力矩 | Ts | kgf-m | 参考力矩表 | 
| 入力轴容许径向负荷 | C3 | kgf | 150 | 
| 入力轴最大弯曲力矩 | C4 | kgf | 110 | 
| 入力轴最大扭矩 | C5 | kgf-m | 9.5 | 
| 入力轴的GD2(注1) | C6 | kgf-m2 | 6x10-3 | 
| 定位分割精度 | sec | ±30 | |
| 重量 | kg | 19 | 
注:入力轴的GD2是在停留范围内的数值。
注:C1至C5数值是达到安全系数=2时的数值。














