公司产品
深圳市高士达精密机械有限公司
手机:159-9953-8817
电话:0755-29673755/3955
邮箱:2251952937@qq.com
传真:0755-29673856
地址:深圳市宝安区观兰镇君子布村君新路(142号)胜顺产业园B栋
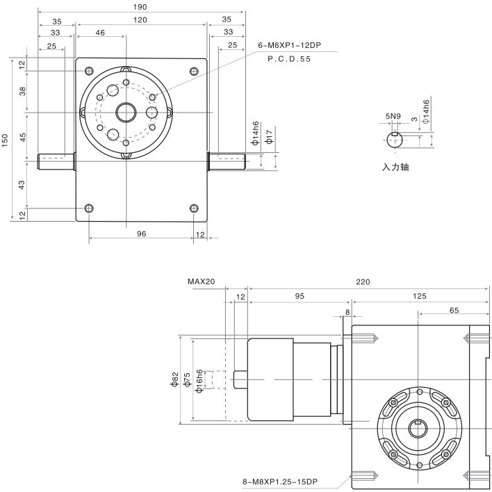
45DSU分割器
45DSU分割器

分割器厂家高士达其公司生产产品kaiyun开云官方在线入口选型有:45DSU分割器、70DSU分割器、80DSU分割器、110DSU分割器,深圳市高士达精密机械有限公司是一家集研发,生产,服务为一体的kaiyun开云官方在线入口及精密机械凸轮的制造企业。公司在不断满足包装,制药,电光源,电源,电池等等机械设备制造的同时并积极开拓国内外市场,致力于高新技术产品的开发制造,同时与国内外同行和企业开展各种形式的技术交流与合作。
凸缘升降型(45DSU,60DSU,70DSU,80DSU,110DSU)
左右摇摆、上下夹取系统紧密及高精度、高速度之夹取输送,为你自动化系统提供了多种变化流程功能。SU系列为出力轴上下往复运动间歇旋转或左右摇摆运动之合成机构。
技术参数
| 项目 | 符号 | 单位 | 数值 | 
| 出力轴容许径向负荷 | C1 | kgf | 5 | 
| 出力轴容许轴向负荷 | C2 | kgf | 9 | 
| 出力轴容许力矩 | Ts | kgf-m | 参考力矩表 | 
| 入力轴容许径向负荷 | C3 | kgf | 60 | 
| 入力轴最大弯曲力矩 | C4 | kgf | 45 | 
| 入力轴最大扭矩 | C5 | kgf-m | 3.8 | 
| 入力轴的GD2(注1) | C6 | kgf-m2 | 3.9x10-4 | 
| 定位分割精度 | sec | ±30 | |
| 重量 | kg | 15 | 
注:入力轴的GD2是在停留范围内的数值。
注:C1至C5数值是达到安全系数=2时的数值。














